网站二维码

全国服务咨询热线:0755-28062629 / 13502865918

BPC
当前位置 : 首页 / 产品展示 / 功率继电器 / BPC
返回

推荐产品>

联系我们>

电话 : 0755-28062629 / 13502865918
手机 : 13502865918 (吴先生)
传真 : 0755-28062909
邮箱 : [email protected]
地址 : 深圳市龙岗区宝荷路振业天峦28栋D
  • 通用功率继电器BPC-SS-124DM
  • 欣爱福继电器BPC-SS-124DM (2).jpg
  • 欣爱福继电器BPC-SS-124DM (3).jpg
  • 欣爱福继电器BPC-SS-124DM (4).jpg
  • 欣爱福继电器BPC-SS-124DM (5).jpg

通用功率继电器BPC-SS-124DM

产品特点 :
1.10A触点切换能力
2.具有一组常开,触点形式
3.体积小,标准印制板引出脚
4.具有塑封型和非塑封型两种封装方式
5.高灵敏度,可直接焊接在印刷线路板中
咨询热线 : 0755-28062629 / 13502865918
  • 产品详情
产品特点:
1.10A触点切换能力
2.具有一组常开,触点形式
3.体积小,标准印制板引出脚
4.具有塑封型和非塑封型两种封装方式
5.高灵敏度,可直接焊接在印刷线路板中

产品命名方式:
2025新澳门原材料

详细参数:
2025新澳门原材料

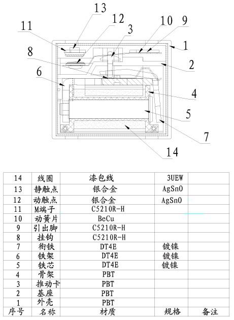
外形尺寸及脚位图:
2025新澳门原材料

特性曲线:
2025新澳门原材料


安装图:
2025新澳门原材料